ZBSF系列全不銹鋼電磁閥是工業過程自動化控制系統用的執行器。它在接受電控信號后能自動開啟或關閉,實現對管道中的流體介質的通斷或流置調節控制。
本系列電磁閥可廣泛地應用于紡織、印刷、化工、塑料、橡膠、制藥、食品、建材、機械、電器、表面處理等生產和科研部門以及浴室、食堂、空調等人們日常生活設施中。ZBSF-Y系列電磁閥主要用于腐蝕液體、超凈液體和食用液體等介質的控制。

| 工作介質 | 腐蝕性氣體、超凈流體、食用流體 Z BSF-1:氣體用Z BSF-1Y:液體用 Z BSF-2:氣體用Z BSF-2Y:液體用 | ||||||||
| 介質溫度 (℃) | Z BSF-1(1Y) :≤60℃ Z BSF-2(2Y) :≤200℃ | ||||||||
| 公稱壓力 (MPa) | 1.6 | ||||||||
| 工作壓差 (MPa) | 0~1.6 | ||||||||
| 電源電壓 | AC220V其余規格可作特殊訂貨 | ||||||||
| 使用壽命 | 按JB/T7352-94規定 | ||||||||
| 額定流量系數 (KV) | |||||||||
| 泄漏量(ml/min) | 按JB/T7352-94·F規定 | ||||||||
| 公稱通徑 (mm) | 10 | 15 | 20 | 25 | 32 | 40 | 50 | ||
| 功耗(VA) | 40 | 50 | |||||||
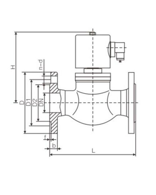
| DN | L | H | D | D1 | D2 | B | 1 | N-D |
| 10 | 115 | 153 | 90 | 60 | 41 | 14 | 3 | 4-?14 |
| 15 | 115 | 153 | 95 | 65 | 46 | 14 | 3 | 4-?14 |
| 20 | 115 | 153 | 105 | 75 | 56 | 16 | 3 | 4-?14 |
| 25 | 125 | 153 | 115 | 85 | 65 | 16 | 3 | 4-?14 |
| 32 | 150 | 176 | 140 | 100 | 76 | 18 | 3 | 4-?18 |
| 40 | 165 | 176 | 150 | 110 | 84 | 18 | 3 | 4-?18 |
| 50 | 190 | 192 | 165 | 125 | 99 | 20 | 3 | 4-?18 |
浙公網安備 33032402001116號 網站地圖
13968958698
0577-67378705 / 67378706
浙江省溫州市甌北鎮東甌工業區和二園區大道926號